
| chercheursduvrai.fr |
Aide
Recherche
Membres
Calendrier
|
| Bienvenue invité ( Connexion (Log In) | Inscription (Register) ) | Recevoir à nouveau l'email de validation |

To view this board in english, you must be registered.| Pages: (2) [1] 2 ( Aller vers premier message non lu ) | ![]() ![]() ![]() |
|
Ecrit le: Dimanche 05 Mai 2013 à 20h16
|
|
|
Intéressé(e) ![]() ![]() Groupe: Membres Messages: 5 Membre n°: 10337 Inscrit le: 23/04/2013 |
Bonjour , je souhaiterais savoir quelle sont les valeurs des condos C8/C5/C11
Je vous remercie par avance ,le lien ai le lien d'un autre forum . My Webpage |
|
Ecrit le: Vendredi 08 Novembre 2013 à 16h38
|
|
![]() Expert(e) ![]() ![]() ![]() ![]() ![]() ![]() Groupe: Membres Messages: 4296 Membre n°: 276 Inscrit le: 11/06/2007 |
Hello Tous
Question pour les spécialistes Je voudrais que le drain soit libre de toute charge pour éventuellement le connecter à une tension différente. Le montage ci-dessous est il fonctionnel, ou bien le mosfet va t'il griller quand le point A passera à une tension positive quand il conduira après fermeture de l'interupteur ou bien, cela ne fonctionnera pas du tout ? ou bien faut il absolument que la charge soit du côté drain au lieu de source? D'autres solutions pour garder le drain libre de toute charge ?? Merci -------------------- Peuple de France, tranche dans le lard en sachant faire une addition des voix Vote à 100% pour Mélenchon, le seul qui parle de paix et de partage des richesses |
|
Ecrit le: Vendredi 08 Novembre 2013 à 16h46
|
|
![]() Expert(e) ![]() ![]() ![]() ![]() ![]() ![]() Groupe: Membres Messages: 534 Membre n°: 10240 Inscrit le: 29/12/2012 |
Bonjour,
A mon avis cela peut fonctionner. En regardant mieux c'est comme l'étage haut d'un demi pont en H, donc pas de soucis je penses. Au lieu d'avoir une alim flottante comme çà, tu peux passer par un GDT : Gate Driver Transformer. Sinon tu as des drivers avec pompe de charge, pour driver des demi pont en H justement, ca pourrait faire l'affaire aussi. A+ -------------------- |
|
Ecrit le: Vendredi 08 Novembre 2013 à 16h55
|
|||
![]() Expert(e) ![]() ![]() ![]() ![]() ![]() ![]() Groupe: Membres Messages: 4296 Membre n°: 276 Inscrit le: 11/06/2007 |
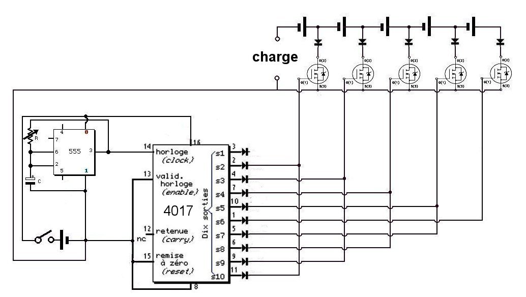
Merci pour ta réponse Edenguard Et si je commute plusieurs mosfets de ce type, chacun relié à une tension differente à l'aide d'un chenillard type 4017, ce genre de montage (charge dans la source) interferea t'il avec la commande de commutation ? Le but est de créer un générateur de formes de tensions numériques que l'on veut avec la puissance et la fréquence qu'on veut !! Merci -------------------- Peuple de France, tranche dans le lard en sachant faire une addition des voix Vote à 100% pour Mélenchon, le seul qui parle de paix et de partage des richesses |
||
|
Ecrit le: Vendredi 08 Novembre 2013 à 17h16
|
|
![]() Expert(e) ![]() ![]() ![]() ![]() ![]() ![]() Groupe: Membres Messages: 614 Membre n°: 10263 Inscrit le: 12/01/2013 |
Comme tout est référencé sur le même 0V (broche 8 du CD4017), il n'y a pas de pb au niveau des Mosfets canal N, mais prendre garde à avoir un point 0V commun pour éviter les pbs de fils inductifs qui vont créer des pulses de commutation si le courant dans la charge est important (le MosFET commute en 10 à 20ns suivant le type).
Par contre il faut prévoir des pulldown de 10K entre grille et source de chaque mosfet pour vider la charge de gille, ce qui n'est pas possible à cause des diodes sortant du CD4017. Sans ces résistances et si la fréquence est importante, tous les mosfets resteront passants. |
|
Ecrit le: Vendredi 08 Novembre 2013 à 17h37
|
|
![]() Expert(e) ![]() ![]() ![]() ![]() ![]() ![]() Groupe: Membres Messages: 4296 Membre n°: 276 Inscrit le: 11/06/2007 |
Merci Croco
Les diodes en sorties du 4017 sont nécessaires pour ne pas le cramer par des courants de retour selon la séquence. Autre solution pour décharger les grilles des mosfets ? Bon je vais au concert des 2000 choristes à Amnéville Moselle France A plus tard Merci -------------------- Peuple de France, tranche dans le lard en sachant faire une addition des voix Vote à 100% pour Mélenchon, le seul qui parle de paix et de partage des richesses |
|
Ecrit le: Vendredi 08 Novembre 2013 à 18h59
|
|
![]() Expert(e) ![]() ![]() ![]() ![]() ![]() ![]() Groupe: Membres Messages: 1561 Membre n°: 10313 Inscrit le: 11/03/2013 |
Bonjour Amateur,
« Fréquence que l’on veut, puissance que l’on veut », pour cela il faut pouvoir charger et décharger la capa de gate rapidement. Il serait souhaitable d’utiliser un circuit MOS DRIVER entre le 4017 et les transistors. (sans diode en sortie de 4017) Comme celui ci par par exemple Tu prépares les guirlandes de Noel ? |
|
Ecrit le: Samedi 09 Novembre 2013 à 09h54
|
|||
![]() Expert(e) ![]() ![]() ![]() ![]() ![]() ![]() Groupe: Membres Messages: 4296 Membre n°: 276 Inscrit le: 11/06/2007 |
Hello Eclectron Merci de m'avoir lu On ne peut pas supprimer les diodes en sortie du 4017, car sinon on flinguera les sorties S10 S9 S8 S7 lors des séquences S2 S3 S4 S5 qui leur injecteront du courant s'il n'y a pas les diodes. Le courant (tension) doit aller vers les mosfets et non revenir vers le 4017. (à moins de combiner 2 x 4017 pour avoir 18 à 20 sorties utiles, ce qui ralentira la fréquence du signal final car il y aura plus de séquences pour faire le même signal et il faudra multiplier le nombre de batteries Avec ce type de montage, à mon avis, on ne peut pas excéder les 500 Khz et si on va jusqu'à 50Khz, ça m'ira déjà très bien. Comme je l'ai écrit, le but de ce type de montage est de faire un générateur puissant, peu onéreux, de tensions de formes différentes et fréquence variable. Et si je rajoute une résistance Rg (valeur à déterminer) au circuit des grilles des mosfets (comme indiqué dans le schéma ci-dessous), cela améliore t'il quelque chose pour décharger les grilles ? Voir aussi, si la masse disposée ainsi et la borne - (flottante) du circuit de puissance ne posent pas de problème Les diodes dans les drains des mosfets ne sont peut être pas nécessaires, par contre une diode anti feedback est peut être nécessaire entre les bornes de la charge si inductive !? Merci C'était géant les 2000 choristes hier. il y avait William Sheller et Patrick Fiori aussi (un youtube bientôt je pense) ![]() Exemple de tension réalisable (en théorie ![]() -------------------- Peuple de France, tranche dans le lard en sachant faire une addition des voix Vote à 100% pour Mélenchon, le seul qui parle de paix et de partage des richesses |
||
|
Ecrit le: Samedi 09 Novembre 2013 à 10h29
|
|
![]() Expert(e) ![]() ![]() ![]() ![]() ![]() ![]() Groupe: Membres Messages: 1561 Membre n°: 10313 Inscrit le: 11/03/2013 |
Scousi je n'avais pas pris le temps de bien lire ton schéma.
tu veux donc faire des pyramides maya... effectivement les diodes sont nécessaires. Tu peux utiliser un "ou" logique à la place des diodes, comme ça tu sortiras basse impédance pour commander la grille ce qui est plus favorable à la vitesse. Voire insérer un MOS DRIVER entre la sortie du "ou" et la grille du MOS pour être encore plus rapide. dans ce cas pas besoin de diode en sortie du 4017 et pas besoin de Rg. perso je laisserais quand même un Rg 10K au cas où un fil saute, ou pour accrocher une sonde de scope pour visualiser les signaux. Je ne vois pas de souci à travailler avec ce schéma. Tu peux placer une résistance élevée (1M Ohm ?) en charge histoire de fixer les potentiels lorsque la vraie charge est déconnectée. |
|
Ecrit le: Samedi 09 Novembre 2013 à 10h44
|
|||
![]() Expert(e) ![]() ![]() ![]() ![]() ![]() ![]() Groupe: Membres Messages: 4296 Membre n°: 276 Inscrit le: 11/06/2007 |
Ok, merci Eclectron pour ces renseignements, je vais potasser ça et attaquer le circuit imprimé et la réalisation -------------------- Peuple de France, tranche dans le lard en sachant faire une addition des voix Vote à 100% pour Mélenchon, le seul qui parle de paix et de partage des richesses |
||
|
Ecrit le: Lundi 18 Novembre 2013 à 17h01
|
|
![]() Expert(e) ![]() ![]() ![]() ![]() ![]() ![]() Groupe: Membres Messages: 4296 Membre n°: 276 Inscrit le: 11/06/2007 |
Hello les spécialistes
Encore une réponse s'il vous plait Elle concerne les inductances Avec le circuit ci-dessous, quand je ferme l'interrupteur, la consommation sur la batterie augmente t'elle au delà de 0,5 A ? Merci -------------------- Peuple de France, tranche dans le lard en sachant faire une addition des voix Vote à 100% pour Mélenchon, le seul qui parle de paix et de partage des richesses |
|
Ecrit le: Lundi 18 Novembre 2013 à 19h34
|
|
![]() Expert(e) ![]() ![]() ![]() ![]() ![]() ![]() Groupe: Membres Messages: 614 Membre n°: 10263 Inscrit le: 12/01/2013 |
A vue de nez, cela dépend des pertes résistives des circuits de l'onduleur (des mosfets ?)
Donc de l'inductance de la bobine et de la fréquence qui donne l'impédance, donc le courant sinus dans la bobine, donc les pertes de l'onduleur: il faut bien que le courant de la bobine circule quelque part même s'il est purement réactif et ne dissipe pas d'ènergie dans la bobine elle-même Je pense que l'onduleur ne pas va aimer la charge purement selfique. |
|
Ecrit le: Lundi 18 Novembre 2013 à 20h41
|
|||
![]() Expert(e) ![]() ![]() ![]() ![]() ![]() ![]() Groupe: Membres Messages: 4296 Membre n°: 276 Inscrit le: 11/06/2007 |
Merci croco31 Un moteur très inductif existe t'il ? (cos phi < 0,1 en charge) -------------------- Peuple de France, tranche dans le lard en sachant faire une addition des voix Vote à 100% pour Mélenchon, le seul qui parle de paix et de partage des richesses |
||
|
Ecrit le: Samedi 21 Décembre 2013 à 23h26
|
|
![]() Expert(e) ![]() ![]() ![]() ![]() ![]() ![]() Groupe: Membres Messages: 4296 Membre n°: 276 Inscrit le: 11/06/2007 |
Hello Tous
Merci aux spécialistes de me dire si ce montage (fig 1) est fonctionnel et quel composant (circuit) de commande faut il employer, à la place du timer 555, pour faire fonctionner les mosfets selon les cycles synchronisés de la fig2 -------------------- Peuple de France, tranche dans le lard en sachant faire une addition des voix Vote à 100% pour Mélenchon, le seul qui parle de paix et de partage des richesses |
|
Ecrit le: Dimanche 22 Décembre 2013 à 09h29
|
|
|
Expert(e) ![]() ![]() ![]() ![]() ![]() ![]() Groupe: Membres Messages: 1247 Membre n°: 303 Inscrit le: 15/06/2007 |
Peut pas fonctionner et pourquoi un NPN et PNP avec les gaches ensembles ??? secondo ce n'est plus une bascule ,sur les crenaux ce n'est qu'un simple decalage de temps d'une lampe a l'autre , mais elles se coupent ensemble ......Si tu as un crenau positif qui sort , il faut ,il faut mettre deux NPN et un condo de X valeur sur la gache du second transistor ,condo entre gache et masse ,mais cela ne sera pas parfait .. perso je ne comprend pas ton montage ????? dans l' etat actuel il ne sert a rien , c'est toi qui voit .... Il existe quantité de schéma a base de 555 mais pourquoi des MOS ????
|
|
Ecrit le: Dimanche 22 Décembre 2013 à 09h31
|
|
|
Expert(e) ![]() ![]() ![]() ![]() ![]() ![]() Groupe: Membres Messages: 1247 Membre n°: 303 Inscrit le: 15/06/2007 |
|
|
Ecrit le: Dimanche 22 Décembre 2013 à 11h13
|
|||
![]() Expert(e) ![]() ![]() ![]() ![]() ![]() ![]() Groupe: Membres Messages: 4296 Membre n°: 276 Inscrit le: 11/06/2007 |
Merci Apoc pour les réponses.. Les Mosfets ont l'avantage d'avoir (pour certains) des résistances ohmiques en mode passant très faibles (quelques milliohms pour certains). En fait, je cherche des interupteurs (ouvert/fermé) programmables ultrarapides (qui chatouillent la milliseconde ou microseconde) et capables de quelques ampères, pour explorer expérimentalement des phénomènes électriques de durée très brève Il me semble avoir fourni à Labo, un circuit avec retard de front d'onde. Je vais explorer mes dialogues avec lui. -------------------- Peuple de France, tranche dans le lard en sachant faire une addition des voix Vote à 100% pour Mélenchon, le seul qui parle de paix et de partage des richesses |
||
|
Ecrit le: Lundi 30 Décembre 2013 à 21h15
|
|
![]() Expert(e) ![]() ![]() ![]() ![]() ![]() ![]() Groupe: Membres Messages: 4296 Membre n°: 276 Inscrit le: 11/06/2007 |
Hello tous
Qui s'y connait en relais statique ? Il en existe pour ouvrir ou fermer des circuits à courant alternatif http://cgi.ebay.fr/ws/eBayISAPI.dll?ViewIt...#ht_3640wt_1091 et d'autres pour ouvrir ou fermer des circuits à courant continu http://cgi.ebay.fr/ws/eBayISAPI.dll?ViewIt...8#ht_944wt_1091 Que se passerait il si on utilise un relais statique prévu en courant alternatif DC/AC, pour couper ou ouvrir un circuit à courant continu DC ? ça devrait pouvoir le faire je pense, le relais se comporterait alors comme un interupteur non polarisé, contrairement à un relais statique DC/DC Je cherche ce type de relais, mais ultrarapide, temps ouverture/fermeture <= 100µs et RSon <= 0,2 ohms (résistance dans le sens passant), tension de l'ordre de 250V, intensité de l'ordre de 10A -------------------- Peuple de France, tranche dans le lard en sachant faire une addition des voix Vote à 100% pour Mélenchon, le seul qui parle de paix et de partage des richesses |
|
Ecrit le: Lundi 20 Janvier 2014 à 18h17
|
|
![]() Expert(e) ![]() ![]() ![]() ![]() ![]() ![]() Groupe: Membres Messages: 4296 Membre n°: 276 Inscrit le: 11/06/2007 |
Hello les gars
Comment obtenir, simultannément, ce genre de signaux (A et B), synchronisés avec leurs largeurs d'impulsion réglables ? (en quelque sorte 2 PWM avec fronts d'onde montants synchro) ![]() Composants: Timer 556 (en mettant les deux parties timer en parallèle), 2 timers 555 pilotés par un 3ieme 555, CMOS, autre ? Merci -------------------- Peuple de France, tranche dans le lard en sachant faire une addition des voix Vote à 100% pour Mélenchon, le seul qui parle de paix et de partage des richesses |
|
Ecrit le: Lundi 20 Janvier 2014 à 19h37
|
|
![]() Expert(e) ![]() ![]() ![]() ![]() ![]() ![]() Groupe: Membres Messages: 1561 Membre n°: 10313 Inscrit le: 11/03/2013 |
Tiens aller ça va me changer de la spiritualité…
La fréquence est elle fixe ? Les états hauts sont ajustables séparément ? par une résistance variable par exemple ? Je ne sais pas ce que tu nous concocte depuis le début Amateur mais je sens que ça va déménager ! |
|
Ecrit le: Lundi 20 Janvier 2014 à 19h57
|
|||
![]() Expert(e) ![]() ![]() ![]() ![]() ![]() ![]() Groupe: Membres Messages: 4296 Membre n°: 276 Inscrit le: 11/06/2007 |
Hello Eclectron J'essaie de dompter les électrons et pour cela il faut aller regarder dans des temps très courts et les canaliser là où il faut, au bon moment.. Pour les deux signaux, on va dire que tout doit être règlable: fréquence (on va dire qu'on va travailler entre 50 et 1000 hz amplitude des signaux réglables de 3 à 12V, les deux signaux en même temps. les deux fronts montant doivent être synchro les signaux A et B doivent être réglables en largeur d'impulsion (en principe pour rendre le signal B, x% plus court que le signal A) Voili voilou cela est il suffisant pour imaginer un montage pas trop complexe ? Je pensais à un NE555 en astable qui en pilolait 2 autres en monostables et réglables en largeur d'impulsion ?? Et si je fais cela (ci-dessous, en rendant R1 variable et la mettant en commun pour les deux oscillateurs) ? -------------------- Peuple de France, tranche dans le lard en sachant faire une addition des voix Vote à 100% pour Mélenchon, le seul qui parle de paix et de partage des richesses |
||
|
Ecrit le: Lundi 20 Janvier 2014 à 23h07
|
|
![]() Expert(e) ![]() ![]() ![]() ![]() ![]() ![]() Groupe: Membres Messages: 4296 Membre n°: 276 Inscrit le: 11/06/2007 |
Suis je bête, ne cherche plus Eclectron
https://www.chercheursduvrai.fr/forum/in...hacheur&st=1470 (le schema en milieu de page) Je bossais avec lui sur le MEG à l'époque.. Je dois encore avoir le typon et même le circuit imprimé déjà réalisé, quelque part dans une armoire -------------------- Peuple de France, tranche dans le lard en sachant faire une addition des voix Vote à 100% pour Mélenchon, le seul qui parle de paix et de partage des richesses |
|
Ecrit le: Mardi 21 Janvier 2014 à 10h34
|
|||
![]() Expert(e) ![]() ![]() ![]() ![]() ![]() ![]() Groupe: Membres Messages: 1561 Membre n°: 10313 Inscrit le: 11/03/2013 |
Hello Amateur, Je ne cherches plus, tu as trouvé ! Je comprend l'idée mais le premier schéma n'est pas saint car un oscillateur va prendre le dessus sur l'autre à cause de la capa commune. Je posais des questions pour ne pas travailler pour rien. Le plus gros du travail est de formaliser le besoin avec le client. Avec le schéma je comprend ce que tu cherches. -Fréquence ajustable - temps à l’état haut constant, éventuellement ajustable. dit autrement un oscillateur à fréquence ajustable pilote deux monostables. je pressentais cela. N'étant pas un adepte du 555, j'aurais fait autrement mais toutes les solutions se valent. très bien ton deuxième schéma, et tu l'as déjà fait, magnifique ! Bon courage pour la suite. |
||
|
Ecrit le: Mardi 21 Janvier 2014 à 10h41
|
|||||
![]() Expert(e) ![]() ![]() ![]() ![]() ![]() ![]() Groupe: Membres Messages: 4296 Membre n°: 276 Inscrit le: 11/06/2007 |
En tout cas, mercipourl'intention !! J'aurais peut être préféré du dds ou programmation pic pour être plus précis et stable que les 555 analogiques, mais le temps que j'apprenne à programmer ces bestiaux, il s'écoulera 1 bonne année.. A l'école en 1969-70 on en était seulement aux balbutiements du transistor bipolaire..Ensuite 40 ans de sidérurgie et tout le reste en auto didacte, et maintenant je reprends mes passions de jeunesse -------------------- Peuple de France, tranche dans le lard en sachant faire une addition des voix Vote à 100% pour Mélenchon, le seul qui parle de paix et de partage des richesses |
||||
|
Ecrit le: Mardi 21 Janvier 2014 à 14h23
|
|
![]() Expert(e) ![]() ![]() ![]() ![]() ![]() ![]() Groupe: Membres Messages: 1561 Membre n°: 10313 Inscrit le: 11/03/2013 |
Je serais parti sur des monostables type CD4528 ou CD4538. ils sont "assez" stable et précis, tout dépend ce que l'on cherche évidemment.
pour la base de temps, j'aurais pris le même oscillateur que ton premier schéma, a trigger de schmidt. Pour plus de stabilité de la fréquence tu aurais pu prendre un CD4060 avec un quartz ou un résonateur en base de temps mais la fréquence n'aurai été ajustable que par des rapports 2. c'est vrai que le tout numérique est beaucoup plus stable et précis grâce au quartz servant de base de temps. Il y a des amateurs d'Arduino sur le forum, je n'ai pas encore testé, mais ça à l'air rapide de prise en main. il se programme en C depuis un PC et ce n'est pas cher. On peut dire que c'est équivalent aux PICs en plus facile et plus economique. Les Pic il faut un outil de développement/programmation. Et puis le langage machine est moins facile d’accès, il faut penser à tout...si ça n'a pas changé, un langage évolué type C ou Basic, se paye en plus. Je pense que nous avons une petite différence d'age vu les technologies dont tu me parles. Je devais être au début du primaire en 1970... C'est bien de rester passionné et curieux. Moi aussi l’électronique était ma passion de jeunesse. Aujourd'hui c'est juste un outil et je vis sur mes acquis qui datent un peu parfois. Ça évolue tellement vite. Si tu as des questions (pas trop compliquées) n'hésites pas ! @+ |
|
Ecrit le: Mardi 21 Janvier 2014 à 17h38
|
|||
![]() Expert(e) ![]() ![]() ![]() ![]() ![]() ![]() Groupe: Membres Messages: 4296 Membre n°: 276 Inscrit le: 11/06/2007 |
Eh oui, je suis de décembre 1950.. Le temps passe, conformément à sa vieille habitude.. Et ça évolue tellement vite, j'ai connu mes premiers ordinateurs dignes de ce nom qu'à partir de 1995, au travail à 45 ans !! Quand j'avais 16 à 18 ans, il y avait les clubs de radioamateurs (avec des postes émetteurs-récepteurs à lampes, que nous faisions nous mêmes) Bon je vais voir du côté des arduinos. Merci Sur Ebay, on trouve des generateurs DDS à deux canaux, mais je ne sais pas si on peut régler chaque canal séparément pour obtenir le type de signaux synchros que je veux. Il serait plus rapide d'acheter fini que de construire pour cette affaire ! http://www.ebay.fr/itm/0MHz-8MHz-Dual-Chan...#ht_4405wt_1348 -------------------- Peuple de France, tranche dans le lard en sachant faire une addition des voix Vote à 100% pour Mélenchon, le seul qui parle de paix et de partage des richesses |
||
|
Ecrit le: Mercredi 22 Janvier 2014 à 08h52
|
|
![]() Expert(e) ![]() ![]() ![]() ![]() ![]() ![]() Groupe: Membres Messages: 1561 Membre n°: 10313 Inscrit le: 11/03/2013 |
Hello Amateur,
Oui bien le générateur de fonction, le rapport cyclique est variable numériquement par pas de 1%, 2 voies séparées . C'est exactement ce qu'il te faut ! /edit/ suite que je n'avais pas vu qu'il était 2 voies..pas bien réveillé ce matin! |
|
Ecrit le: Mercredi 22 Janvier 2014 à 09h07
|
|||
![]() Expert(e) ![]() ![]() ![]() ![]() ![]() ![]() Groupe: Membres Messages: 4296 Membre n°: 276 Inscrit le: 11/06/2007 |
Hello Eclectron Merci pour les infos, ça cogite dur. Il est vrai que la méthode générale de résolution de problème est: observation, réflexion, action, et que la phase de réflexion est la plus grande (importante) J'ai demandé des renseignements au vendeur qui interroge son service technique. J'attends la réponse.. Sinon avec arduino (tu as raison, c'est la méthode la plus souple, évolutive et pas trop chère), quels composanfs au minimum faut il pour réaliser ces deux signaux pour commander des Nmosfets ou bipolaires (darlington) à commutation rapide (300V 10A) par exemple ? 1) Arduino uno, nano, leonardo ou mega ? 2) Et autres composants ? genre module de puissance optoélectronique ? 3) autres ? quel cablage ? quel programme écrit ? J'ai vu qu'Intel s'intègre aussi dans Arduino, ça va déboiser fort !! -------------------- Peuple de France, tranche dans le lard en sachant faire une addition des voix Vote à 100% pour Mélenchon, le seul qui parle de paix et de partage des richesses |
||
|
Ecrit le: Jeudi 23 Janvier 2014 à 08h47
|
|
![]() Expert(e) ![]() ![]() ![]() ![]() ![]() ![]() Groupe: Membres Messages: 1561 Membre n°: 10313 Inscrit le: 11/03/2013 |
Hello Amateur,
Je ne suis pas du tout spécialiste de l’Arduino et de la programmation mais je peux dire qu' il faut un modèle avec 2 PWM dedans. Il suffira de préciser la fréquence de travail et la valeur de rapport cyclique et de les synchroniser par un reset par exemple. Si non, il faut gérer cela soit même par programmation en pilotant directement 2 ports de sortie, puisque tu veux 2 sorties. Dans ce cas, la fréquence max des signaux de sortie risque d’être autours de 1KHz à 10 kHz gros max. Tout dépend de la finesse de résolution souhaitée sur l’état haut. Plus tu voudras de résolution, plus la fréquence max sera basse. Le générateur que tu as trouvé me semble correspondre exactement à ton besoin car il est paramétrable sur une grande plage de fréquence et de rapport cyclique. Il faudra un driver de MOS, pour avoir des fronts raides sur la gate du MOS qui est très capacitive. Si le front est trop lent, le MOS se prend de la puissance instantanée (UxI) qui risque de le cramer. (C'est valable pour tout transistor en fait) Il n’est pas forcement nécessaire d’être opto isolé. Ça complique. Il y des schéma avec transfo dans la datasheet. Si tu prends le générateur + driver de MOS + MOS, le câblage est enfantin, voir figure 10A de la datasheet. Il faut bien découpler le driver de MOS , au plus court, avec une capa entre le + et le – de son alimentation. Voir « bypassing » dans la datasheet. Je ne vois pas l’intérêt d’utiliser des Darlingtons, risque d'être plus lent. Il y a un tel choix de MOS maintenant. Bon courage |
|
Ecrit le: Jeudi 23 Janvier 2014 à 11h02
|
|
![]() Expert(e) ![]() ![]() ![]() ![]() ![]() ![]() Groupe: Membres Messages: 4296 Membre n°: 276 Inscrit le: 11/06/2007 |
Hello Eclectron
Apparemment les arduinos ont une féquence de fonctionnement maxi de l'ordre de 500 hz en PWM (réponse d'un vendeur). C'est plutôt du scolaire, mais 500 hz ça peut être suffisant !! Il n'est pas certain que que le générateur de 8Mhz, à deux canaux (A,B) soit réglable séparement en largeur d'impulsion pour chacun des canaux. Les signaux sont déphasables de 0 à 360°, On peut sortir un signal de forme différente sur chacun des canaux (exemple triangulaire et carré, ou autre), mais la largeur d'impulsion différente, séparément ?? Apparemment les signaux quelque soit leur forme, gardent la même période cyclique. J'attends encore la réponse du vendeur, s'il répond !! Je laisse passer quelques jours et j'en prends un pour en avoir le coeur net !! En fait aujourd'hui, on a l'embarras du choix, alors qu'en 1970, il y avait moins de risque de se tromper, mais il fallait faire son poste à souder tout seul !! Sacré espace-temps va !! On y trouve tout, de l'homme préhistorique, aux humains ayant colonisé leur galaxie dans un futur lointain!! Je me suis toujours demandé où est passée la Terre de la veille, de l'avant veille, d'il y a 8jours, etc .. Elle doit être quelque part (sous forme d'infos), car, si je t'hypnotise, sous hypnose, tu seras capable de me raconter ta journée du 17 février 1992, à la virgule près, seconde après seconde. Imagine, suppose que tu fonces plus vite que la lumière en t'éloignant de la Terre, à un moment, si tu te retournes en braquant ton super télescope vers la Terre, tu dois être en mesure de voir Nefertiti entrain de prendre son bain ! Pire que la NSA -------------------- Peuple de France, tranche dans le lard en sachant faire une addition des voix Vote à 100% pour Mélenchon, le seul qui parle de paix et de partage des richesses |
Pages: (2) [1] 2 |
![]() ![]() ![]() |